
![]()
0534-4215858 13573465768
超百家医院及医疗用品机构合作供货商
欢迎访问德州辉盛高压氧舱科技有限公司官方网站!公司产品均经过国家权威实验室和权威机构检测合格! 为您提供高压氧舱一站式服务和技术支持!
高压氧舱沙发罩 | |
|
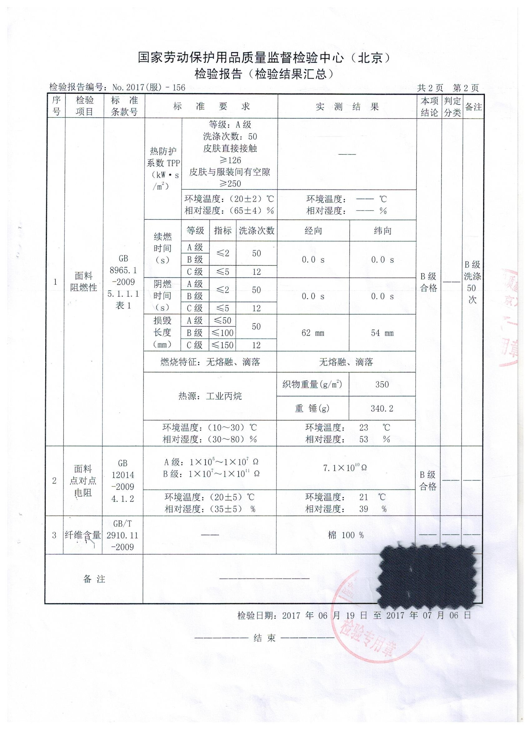
产品详情 本产品专为高压氧舱而设计,符合最新特种设备(高压氧舱)安全技术规范TSG24-2015第2.1.6项“舱内物料在氧舱工作条件(呼吸气体浓度、压力、温度、湿度等)”应当满足难燃、阻燃、和抗静电性能要求,并且应当出具难燃、阻燃、抗静电性能的产品质量证明文件,及高压氧舱临床应用技术规范4-3-2标准。国家氧舱GB/12130-2005舱内包裹面料应经耐燃处理。 德州辉盛高压氧舱科技有限公司是一家专业做高压氧舱器械、耗材及相关产品高科技技术企业所生产的“氧舱伴侣”高压氧舱专用沙发罩从面纱开始选用优质面纱精纺经多种工序处理具有阻燃、拒污防水,防静电、柔软透气不会因排出的污物渗入沙发内造成永久异味污染整个氧舱,无甲醛经国家权威实验室和相关检验检测机构的检验完全符合国家相关技术标准达到国家最新氧舱技术规范是氧舱必备。
|
|
|
咨询热线:
135 7346 5768
技术支持:推首网-国内领先的搜索引擎营销平台!